-
Máy đo áp suất khác nhau
-
đồng hồ đo áp suất kỹ thuật số
-
Đồng hồ đo áp suất bằng thép không gỉ
-
Máy phát áp suất chính xác
-
Chương trình kiểm soát logic
-
Chuyển mức độ nổi
-
Bộ định vị van khí nén
-
Cảm biến truyền nhiệt độ
-
Hart Field Communicator
-
Van điện từ
-
Van điều khiển
-
Đồng hồ đo lưu lượng có độ chính xác cao
-
máy bơm chìm
-
Máy phát áp suất Manifold
-
Máy đo mức siêu âm
-
Đồng hồ đo điện áp hiện tại
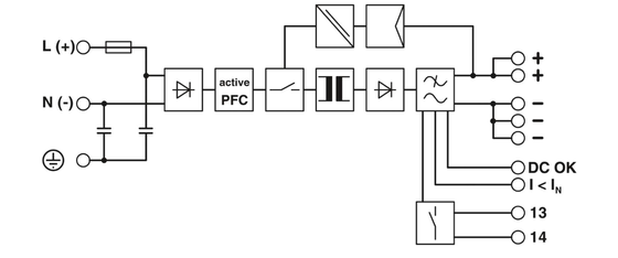
Phòng điện Quint-PS/1AC/24DC/20 ACDC, 24VDC, 20A, 480W
| Dải điện áp đầu vào danh nghĩa | 100V AC... 240V AC | Phạm vi điện áp đầu vào AC | 85 V xoay chiều ... 264 V xoay chiều |
|---|---|---|---|
| Dải điện áp đầu vào DC | 90V DC... 350VDC | Cường độ điện, tối đa. | 300 V AC |
| Dải tần số xoay chiều | 45Hz...65Hz | Điện áp đầu ra | + 24V DC |
| Làm nổi bật | Phương tiện cung cấp điện Phoenix Contact QUINT-PS,24VDC 20A ACDC nguồn cung cấp điện,480W nguồn cung cấp điện công nghiệp |
||
Phòng điện Quint-PS/1AC/24DC/20 ACDC, 24VDC, 20A, 480W
Đơn vị cung cấp điện chuyển mạch chính QUINT POWER, Kết nối vít, gắn đường ray DIN, Công nghệ SFB (Selective Fuse Breaking), đầu vào: 1-phase, đầu ra: 24 V DC / 20 A, điều chỉnh từ 18 V DC... 29.5 V DC, 90 V DC... 350 V DC
![]()
Các nguồn điện QUINT POWER với chức năng tối đa
Các bộ ngắt mạch Quint Power hoạt động từ tính và do đó nhanh chóng với tốc độ gấp sáu lần dòng điện danh nghĩa, để bảo vệ hệ thống có chọn lọc và do đó hiệu quả về chi phí.Mức độ sẵn có hệ thống cao được đảm bảo thêm, nhờ giám sát chức năng phòng ngừa, vì nó báo cáo các trạng thái hoạt động quan trọng trước khi xảy ra lỗi.
Khởi động đáng tin cậy của tải trọng lớn diễn ra thông qua dự trữ điện tĩnh POWER BOOST. Nhờ điện áp điều chỉnh, tất cả các phạm vi từ 5 V DC... 56 V DC được bao phủ.


